欢迎光临深圳市PA娱乐电子有限公司官网!
专业电子元器件代理商深圳市PA娱乐电子有限公司
全国咨询热线:0755-25890186

ALPS震动马达电机_AFR14A901B

“HAPTIC™ Reactor”是由ALPSALPINE开发的一款集机械结构设计,磁式回路设计,精密加工等各种技术于一体的具有独特结构的电磁式振动马达。 通过振动可以反馈点击感的感触,对于提高操作性和沉浸感的触觉作出贡献。 而且,通过振动反馈,可以满足手机,游戏,车载等各市场的需求,提供最舒适的操控感方案。
产品详情
我司是ALPS授权代理商,ALPS系列产品均有在售,需要了解价格、包装数,交期以及产品资料请咨询在线客服!

规格参数:


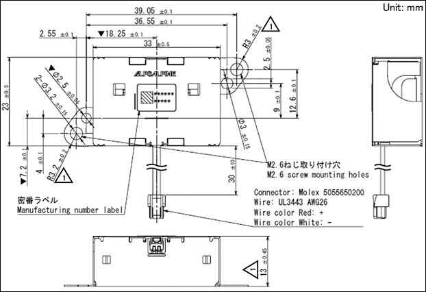
外形图

 
标签:马达电机 ALPS

联系方式

深圳市PA娱乐电子有限公司

联系人:周先生

手机:18138736042

电话:0755-25890186

QQ:2027783806

电邮:david-sz@hnsitf.com

地址:深圳市龙岗区布吉街道万科红立方大厦1705室

采购:ALPS震动马达电机_AFR14A901B
看不清?点击更换看不清?

相关产品/ RELATED PRODUCTS
在线客服
联系方式

热线电话

18138736042

上班时间

周一到周五 8:45—18:00

公司电话

0755-25890186

二维码
线
PA娱乐
网站地图